产品展示
双电源转换开关,SNGQ1-32NA型双电源自动转换开关(一体二段式)
首页 / 产品中心 / ATS-NA型
产品标题:双电源转换开关,SNGQ1-32NA型双电源自动转换开关(一体二段式)
产品ID:VIBCNE-200901141144734
品  牌:双电源转换开关
所在地:中国 上海
价  格:面议 (大量采购价格面议)
库存状态:货期待查
更新日期:2025-12-10 12:19:47
咨询电话:(+86)021-51699285
咨询Q Q: 519892866
产品简述
双电源转换开关,SNGQ1-32NA型双电源自动转换开关(一体二段式)
产品详情

产品特点
 ● SNGQ系列双电源自动转换开关是上海尼格生产的产品。它符合GB/T14048、11-2002标准,也符合《高层民用建筑防火规范》、《建筑设计防火规范》、《应急照明设计指南》、《民用建筑气1设计规范》等。
 ● 体积小、安装方便;
 ● 自投自复、自投不自复型各取所需,自动、手动兼容; 
 ● 欠电压、过电压、断相保护,功能齐全;
 ● 一体式、分体式、任君选用;
 ● 运行参数整定可调;
 ● 二极、三极、四极、规格齐全;
 ● 额定电压400V,额定电流10A~3200A;
 
 一、概术  
     随着社会的发展,人们对供电可靠性的要求也越来越高。很多场合用两路电源来保证供电的可靠性,这就需要一种在两路电源之间进行可靠转换的装置。SNGQ1系列智能型自动转换开关,就是为了满足这一要求而开发的一种专用产品。该产品具有自投自复和自投不自复和电网-发电机三种转换功能,对三相四线电网供电的两路电源的三相电压同时检测,当任一相发生过压、欠压、缺相,能自动从异常电源转换到正常电源;用于电网一发电系统的产品还能发出发电指令,是一种性能完善、安全可靠、自动化程度高、使用范围广的双电源系列产品,其技术水平达国内领先水平。
 
 二、使用范围
      SNGQ1系列智能型双电源自动转换开关(以下简称A.T.S)适用于额定工作电压交流240/415V,频率50/60Hz的紧急供电系统。当一路电源发生故障时,可以自动完成常用电源和备用电源进行电源之间转换,而无需人工操作,以保证重要用户供电的可靠性。主要用于医院、商场、银行、人防、化工、冶金、高层建筑、军事设施和消防等不允许断电的重要场所。本产品符合IEC60947-6-1、GB/T14048.11-2002《自动转换开关电器》标准,也符合《高层民用建筑防火规范》、《建筑设计防火规范》、《应急照明设计指南》、《民用建筑电气设计规范》等。

三、PC级ATS型号及其含义


 

四、结构与特点
 
     SNGQ1系列智能型双电源自动转换开关由开关本体和转换控制器两大部分组成。产品采用电磁驱动,转换控制器的工作电源采用主、备用电源的交流220V电源,无需另加控制电源。开关本体具有电气或机械合闸指示作为隔离功能的指示器之用。


 

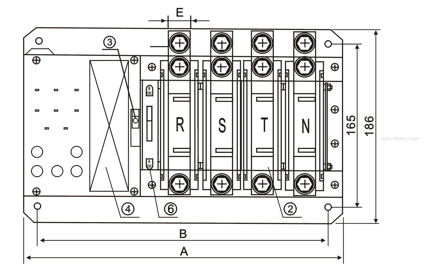
外型尺寸

 

型号 SNGQ1-32NA SNGQ1-40NA SNGQ1-63NA SNGQ1-125NA
A 2P 215 240
3P 238 275
4P 270 310
B 2P 190 210
3P 215 245
4P 245 290
E 12 20
 

六、NA型双电源自动转换开关技术特性

 

型号 SNGQ1-32NA SNGQ1-40NA SNGQ1-63NA SNGQ1-125NA
额定电流(A)
25,32 40 63 125
操作电流(A)
3.5
额定短时耐受电流(KA)
5
使用
寿命
机械
8000
电气
3000
极数
2P 3P 4P 2P 3P 4P 2P 3P 4P 2P 3P 4P
重量
(Kg)
4.2 4.7 5.2 5