021-51699285
首页
关于我们
公司简介
关于品牌
荣誉资质
产品中心
气动执行器系列
气动球阀系列
气动小口径球阀系列
气动蝶阀系列
气动其它阀门
气动角座阀
气动调节阀
气动附件
蝶阀
闸阀
刀型闸阀
球阀
截止阀
止回阀
旋塞阀
柱塞阀
排泥阀
隔膜阀
新闻中心
公司新闻
行业动态
联系我们
产品展示
800系列三相电力变送器
首页
/
产品中心
/
800系列电力变送器
PD810系列电力网络仪表
800H系列智能电力仪表
800G系列智能电力仪表
MC800系列低压智能电动机保护
800系列电力变送器
PWB800系列无功补偿控制器
NY3000变电站综合自动化系统
产品标题:800系列三相电力变送器
产品ID:
VIB20090713195135734
品 牌:
纳宇电气
所在地:中国 上海
价 格:面议 (大量采购价格面议)
库存状态:
货期待查
更新日期:2025-12-19 7:14:33
咨询电话:(+86)021-51699285
咨询Q Q:
519892866
产品简述
产品简介
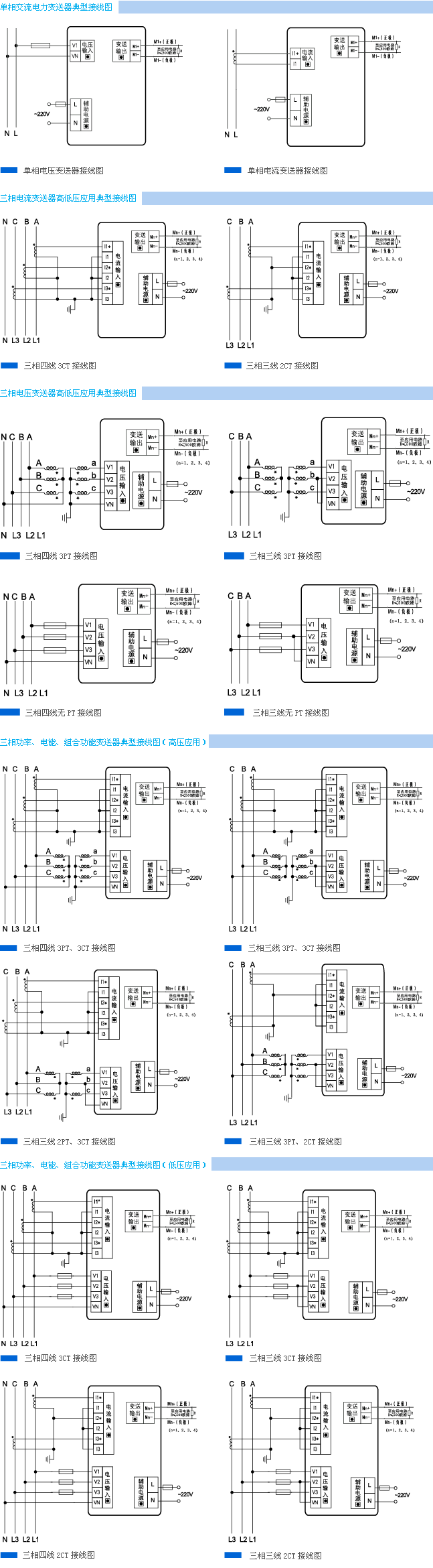
800系列电力变送器是一种将电网中的电流、电压、频率、功率、功率因数等电参量,经隔离变送成线性直流模拟信号的装置。
产品详情
外形尺寸及安装
产品选型
典型接线图
产品型号
双作用短行程气 ADVC-12-10-A-P
单作用螺纹气缸 AEVC-16-5-I-P-A
单作用螺纹气缸 AEVC-16-10-I-P-A
单作用螺纹气缸 AEVC-16-25-I-P-A
单作用螺纹气缸 AEVC-16-5-I-P
单作用螺纹气缸 AEVC-16-10-I-P
单作用螺纹气缸 AEVC-16-25-I-P
单作用短行程气AEVC-16-5-A-P-A
单作用短行程气 AEVC-16-10-A-P-A
单作用短行程气AEVC-16-25-A-P-A
单作用短行程气AEVC-16-5-A-P
单作用短行程气AEVC-16-10-A-P
单作用短行程气AEVC-16-25-A-P
双作用短行程气 ADVC-16-5-I-P-A
前一页
面板式B型控制器 用于面板嵌入安装,控制电压AC380V WATSN系列转换开关附件
后一页
面板式B型控制器 用于面板嵌入安装,控制电压AC380V WATSN系列转换开关附件
产品中心
更多产品
MORE+
800系列三相电力变送器
800系列单相电力变送器
传感器条 BSL-HMP- 16-200
传感器条 BSL-HMP- 16-250
传感器条 BSL-HMP- 16-320
传感器条 BSL-HMP- 20- 50
电话:
021-51699285
传真:
021-51698592
手机:
13611905823
地址:上海市宝山区恒高路127弄6号楼2202室
首 页
关于我们
公司简介
品牌介绍
企业荣誉
产品中心
气动执行器系列
气动球阀系列
气动小口径球阀系列
气动蝶阀系列
气动其它阀门
气动角座阀
气动调节阀
气动附件
蝶阀
闸阀
刀型闸阀
球阀
截止阀
止回阀
旋塞阀
柱塞阀
排泥阀
隔膜阀
新闻中心
公司新闻
行业动态
联系我们