| 产品标题:TML30-LG-1S-B,有理控Unicontrols,大容量輕型加壓容器TML系列气容,气罐 产品ID:VIB20150114124121734 品 牌:有理控 unicontrols 所在地:中国 上海 价 格:面议 (大量采购价格面议) 库存状态:货期待查 更新日期:2025-10-22 22:43:24 咨询电话:(+86)021-51699285 咨询Q Q: 519892866 |
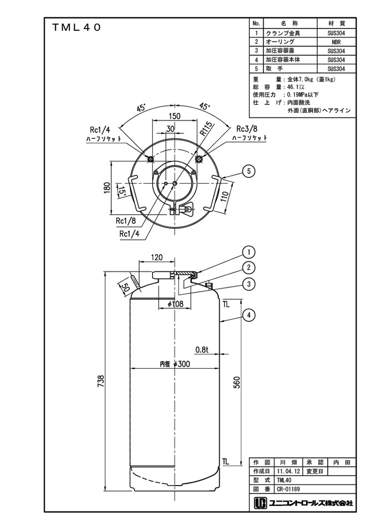
輕巧便於搬運。比起以往的30、40公升的壓力容器,更具低價格。
另外有許多配件可依用途選購。
・結構輕巧便於搬運。
・選購品有液位計(LG),及確認容器內殘餘量的上下限水位感測器(2S型)
| 型式 | TML30 | TML40 |
|---|---|---|
| 容量 | 30L | 40L |
| 重量 | 6.7kg | 7.0kg |
| 材質 | SUS304 | |
| 工作壓力 | 0.39MPa以下 | 小於0.2MPa |
| 蓋子裝卸方式 | 卡箍裝夾 | |
| 材料取出口 | 上口(上部)Rc3/8 | |
| 加壓口 | 上口(上部)Rc1/4 | |
| 密封方式 | O型環 | |
| 最終處理 | 內表面酸洗、外表面髮絲加工 | |


