021-51699285
首页
关于我们
公司简介
关于品牌
荣誉资质
产品中心
气动执行器系列
气动球阀系列
气动小口径球阀系列
气动蝶阀系列
气动其它阀门
气动角座阀
气动调节阀
气动附件
蝶阀
闸阀
刀型闸阀
球阀
截止阀
止回阀
旋塞阀
柱塞阀
排泥阀
隔膜阀
新闻中心
公司新闻
行业动态
联系我们
产品展示
CJ2系列,执行元件(气缸) - 不锈钢迷你气缸
首页
/
产品中心
/
执行元件(气缸)
快换接头
控制器系列
真空系列
阀
配套元件
气管
执行元件(气缸)
产品标题:CJ2系列,执行元件(气缸) - 不锈钢迷你气缸
产品ID:
VIB20120522235025734
品 牌:
CKT 西克迪
所在地:中国 上海
价 格:面议 (大量采购价格面议)
库存状态:
货期待查
更新日期:2025-3-19 19:49:14
咨询电话:(+86)021-51699285
咨询Q Q:
519892866
产品简述
CJ2系列,执行元件(气缸) - 不锈钢迷你气缸
产品详情
产品简介:
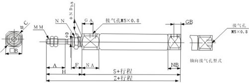
订购代码
安装尺寸
CJ2B6
CJ2B10,16
缸径mm
A
B
C
D
F
GA
GB
H
MM
NA
NB
NDh8
NN
S
T
Z
6
15
12
14
3
8
14.5
-
28
M3×0.5
16
7
6
M6×1.0
49
3
77
10
15
12
14
4
8
8
5
28
M4×0.7
12.5
9.5
8
M8×1.0
46
-
74
16
15
18
20
5
8
8
5
28
M5×0.8
12.5
9.5
10
M10×1.0
47
-
75
产品型号
真空吸盘 ESS-200-SN
真空吸盘 ESS-200-SU
真空吸盘 ESS-200-SS
真空吸盘 ESS-200-SF
真空吸盘 ESS-15-EN
真空吸盘 ESS-15-EU
真空吸盘 ESS-15-ES
真空吸盘 ESS-15-EF
真空吸盘 ESS-20-EN
真空吸盘 ESS-20-EU
真空吸盘 ESS-20-ES
真空吸盘 ESS-20-EF
真空吸盘 ESS-30-EN
真空吸盘 ESS-30-EU
前一页
FJST10-04,MOHE,手压阀,调速阀,弯头,快插接头,直通接头,宝塔型,双卡型,四通型接头,附件
后一页
FJST10-04,MOHE,手压阀,调速阀,弯头,快插接头,直通接头,宝塔型,双卡型,四通型接头,附件
产品中心
更多产品
MORE+
CM2系列,执行元件(气缸) - 不锈钢迷你气缸
针型气缸CJP系列,执行元件(气缸) - 不锈钢迷你气缸
MA、MAC系列,执行元件(气缸) - 不锈钢迷你气缸
CJ2系列,执行元件(气缸) - 不锈钢迷你气缸
真空吸盘、 ESS-100-EN
真空吸盘、 ESS-100-EU
真空吸盘 ESS-2-SU
真空吸盘 ESS-2-SS
电话:
021-51699285
传真:
021-51698592
手机:
13611905823
地址:上海市宝山区恒高路127弄6号楼2202室
首 页
关于我们
公司简介
品牌介绍
企业荣誉
产品中心
气动执行器系列
气动球阀系列
气动小口径球阀系列
气动蝶阀系列
气动其它阀门
气动角座阀
气动调节阀
气动附件
蝶阀
闸阀
刀型闸阀
球阀
截止阀
止回阀
旋塞阀
柱塞阀
排泥阀
隔膜阀
新闻中心
公司新闻
行业动态
联系我们