|
|
|
|
|
|
|
产品类别:真空系列 - 真空过滤器 |
|
| 产品名称:C- ZFC系列真空过滤器 |
 |
| 产品简介:
型号说明
|
型号 |
接管尺寸 |
流量(l/min) |
|
C-ZFC100-04 |
φ4 |
10 |
|
C-ZFC100-06 |
φ6 |
20 |
|
C-ZFC200-06 |
φ6 |
30 |
|
C-ZFC200-08 |
φ8 |
50 | 规格
|
使用流体 |
空气、氮气 |
|
使用压力范围 |
-100至0kPa |
|
最大耐压 |
0.5MPa |
|
过滤精度 |
10μm |
|
使用环境及流体温度 |
0~60℃ |
|
滤芯耐压差 |
0.15MPa |
|
适合插管材料 |
尼龙、软尼龙、PU软管、极软PU管 | 真空系统应用
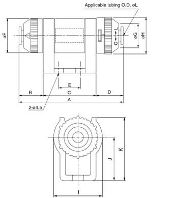
 外型尺寸

| | | | | | | |