

技术参数
|
规格、项目 |
功能 |
接管口径 |
通径(mm) |
工作介质 |
使用压力范围 |
控制方式 |
润滑 |
介质温度 |
|
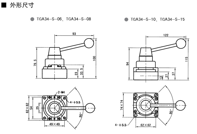
TGA34-S-06 |
三位四通 |
G1/8 |
6 |
空气 |
0~1.0MPa |
手动式 |
不需要 |
-5~60℃ |
|
TGA34-S-08 |
G1/4 |
8 | ||||||
|
TGA34-S-10 |
G3/8 |
10 | ||||||
|
TGA34-S-15 |
G1/2 |
15 | ||||||
|
TGA34-S-06E |
G1/8 |
6 | ||||||
|
TGA34-S-08E |
G1/4 |
8 | ||||||
|
TGA34-S-10E |
G3/8 |
10 | ||||||
|
TGA34-S-15E |
G1/2 |
15 |

