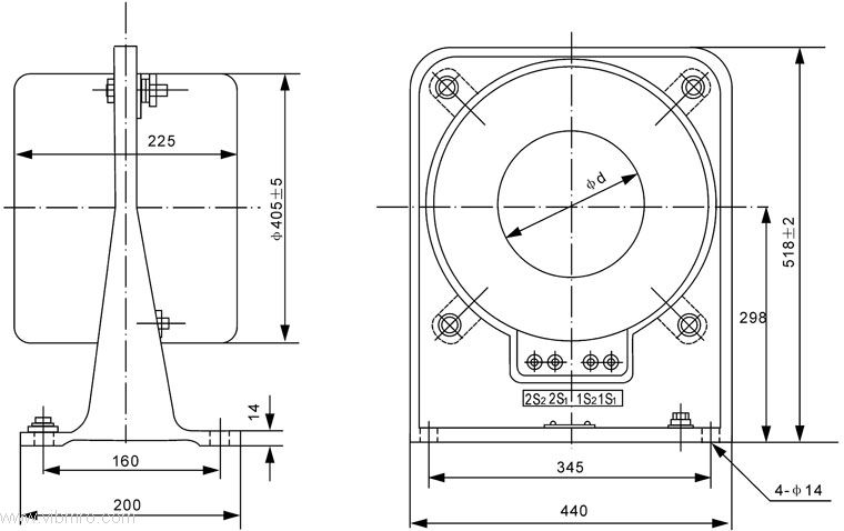
LBJ-10型电流互感器为环氧村脂浇注半封闭穿墙式结构,供额定电压10KV,额定频率50Hz的电力系统中供电流、电能测量及继电保护用。 LBJ-10型电流互感器技术参数 10 20-50 20 20-60 20 25 外型尺寸图
产品型号
额定电压比(KV)
级次组合
准确级次及额定输出(VA)
准确极限值系数
额定短时热电流(KA)
额定动稳定电流(KA)
总重(kg)
0.2
0.5
10P
LBJ-10
600-800/5
0.2/10P
0.5/10P
10P/10P
15
43
55
1000-1500/5
2000/5
3000/5
4000/5
5000/5
6000/5
8000/5 
l1n(A)
d
600-4000
φ150
5000-8000
φ305
